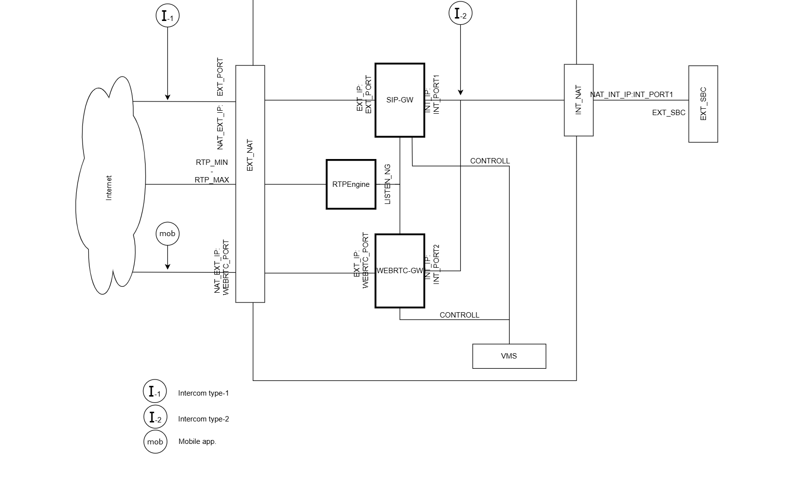
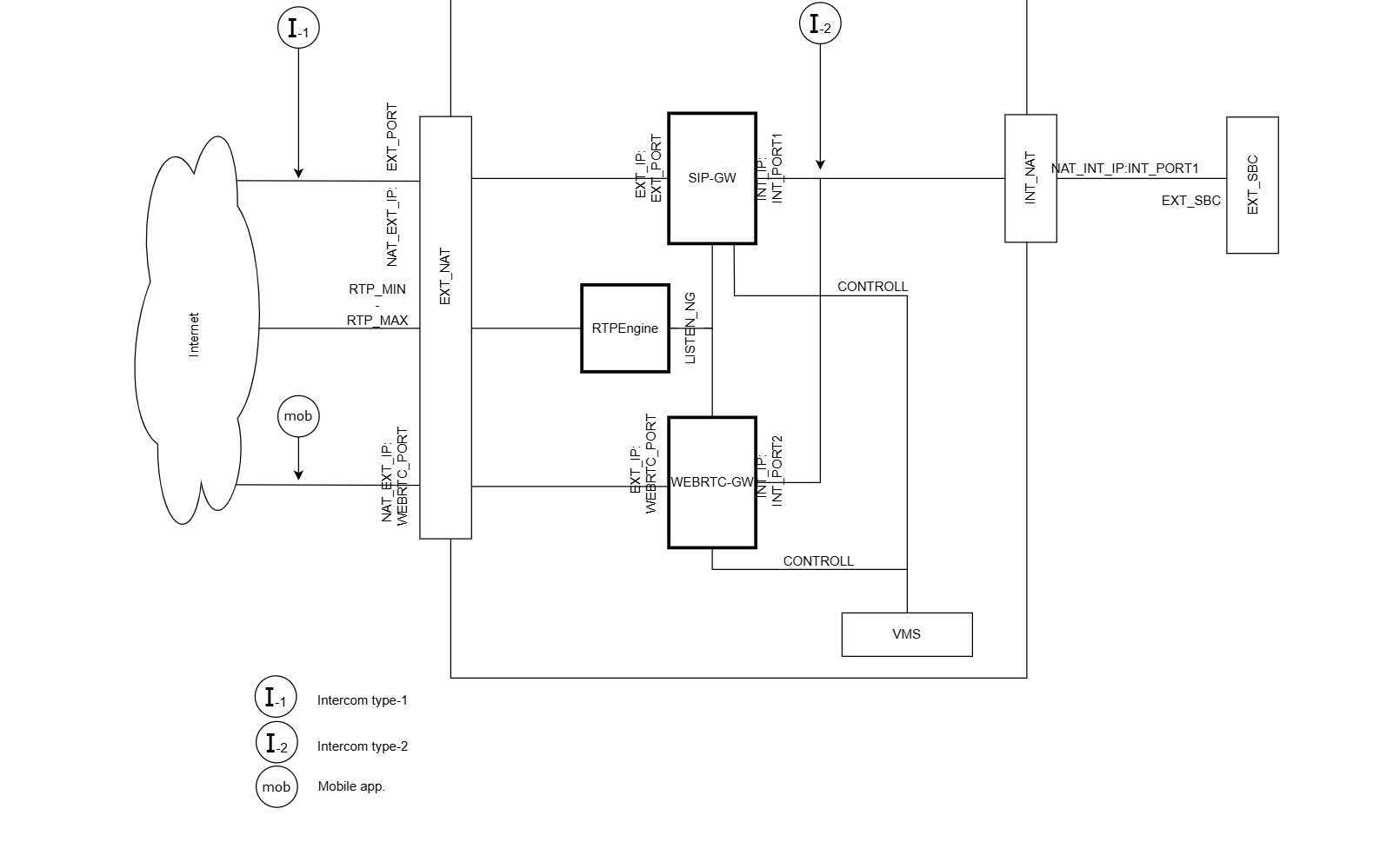
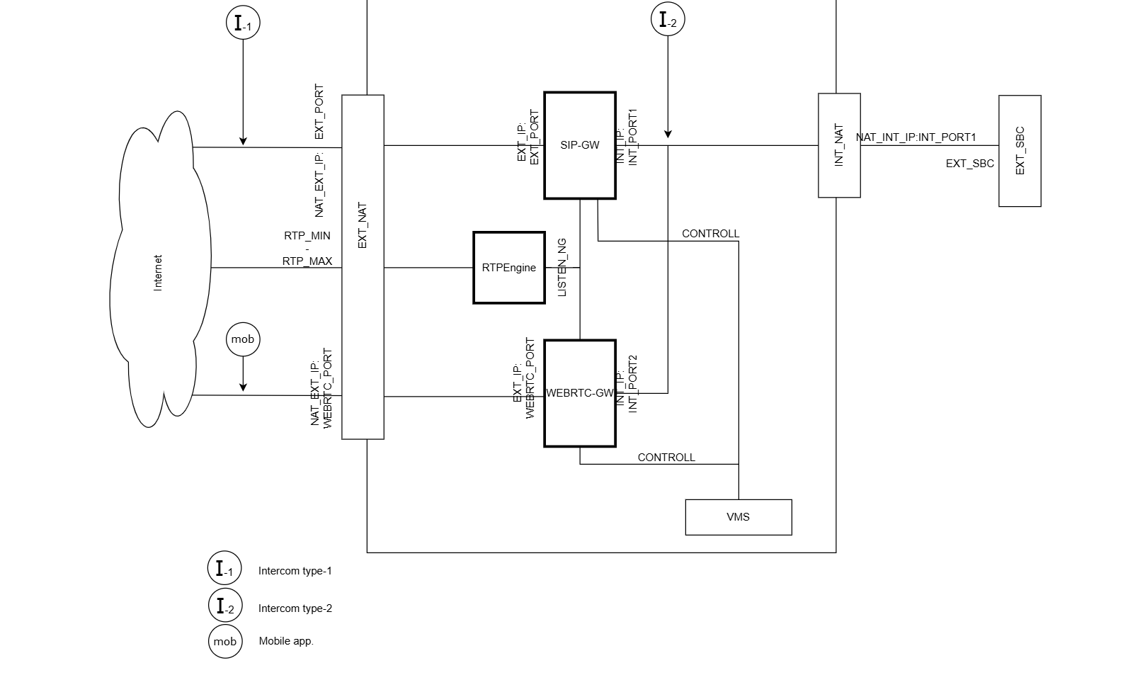
Архитектурная схема Vоice Gateway
На схеме показаны переменные окружения и параметры, используемые в конфигурации Voice Gateway.
.png?inst-v=f134bd1b-bc4d-4546-92be-7eef1c52f463)
Архитектура Voice Gateway
ENV или PARAMS | Порт | Направление | Дополнительная информация |
|---|---|---|---|
EXT_PORT | 5969 TCP/UDP | IN | Сервис SIP для облачных домофонов (Спутник) |
INT_PORT1 | 5060 TCP/UDP | IN | Сервис SIP для автономных домофонов (Beward и Интерсвязь) |
WEBRTC_PORT | 7443 TCP | IN/OUT | WebRTC для обработки соединений от мобильных приложений |
RTP_PORT_MIN | 30000 - 40000 UDP | IN/OUT | RTP-медиа |